- オープンフレーム(基板型)標準電源
オープンフレーム(GWDR-48V150W)/ケース付き(GWER-48V150W) - 200%ピーク電力対応
- 電気用品安全法(PSE)準拠
- リモートオン/オフ
- 薄型設計
- 低突入電流/低漏洩電流
- 高効率&高力率で省エネルギー
- 高調波電流に関するIEC/EN61000-3-2 Class A適合
- PCBAを化学物質や粉塵から保護するコンフォーマルコーティング
| 出力電力 | 150W |
|---|---|
| DC出力 | 48V 3.2A |
| 外観寸法 | オープンフレーム:160 x 75 x 27mm ケース付き:188 x 85 x 47mm |
| 安全性 |
![]() |
詳細仕様
入力出力機構環境保護機能信頼性安全規格EMC
| 入力電圧表記 | 100-240Vac | |
|---|---|---|
| 入力電圧範囲 | 85-264Vac | |
| DC入力電圧範囲 | 120-373Vdc | |
| 定格入力周波数 | 50-60Hz | |
| 入力周波数範囲 | 47-63Hz | |
| 入力電流 | 1.9A typ. @100Vac, 1.0A typ. @200Vac | |
| 効率(100%負荷時) | 89.0% typ. @100Vac 93.0% typ. @200Vac |
|
| 無負荷時消費電力 | <0.5W @100Vac & 200Vac | |
| 突入電流(Cold Start) | 15A typ. @100Vac, 30A typ. @200Vac | |
| 力率(100%負荷時) | 0.98 typ. @100Vac, 0.95 typ. @200Vac | |
| 漏洩電流 | 0.2mA @100Vac, 0.4mA @240Vac | |
| 出力電圧 | 48Vdc | |
|---|---|---|
| 工場出荷時設定許容差 | ±1% (initial set point tolerance from factory) | |
| 出力電圧調整範囲 | 43.2-52.8Vdc | |
| 出力電流 | 3.2A (Io 100%) 6.4A (Io 200%) |
|
| 出力電力 | 153.6W (Normal MaxPower 100%) 302.4W (Power Boost 200% for 10 seconds, refer to the details in the Functions section) |
|
| ラインレギュレーション | ±0.5% | |
| ロードレギュレーション | ±0.5% | |
| リップルノイズ | <200mVpp @0°C to 70°C 600mVpp typ. @-30°C to 0°C |
|
| 起動時間 | 500ms typ. @100Vac (100% load) | |
| 保持時間 | 30ms typ. @100Vac (100% load) | |
| ダイナミックレスポンス | ±10% @115 & 230Vac input, 10-100% load(Slew Rate: 2.5A/μS, 50% duty cycle @5Hz & 10KHz) | |
| 容量性負荷での起動 | 5,000µF Max | |
| ケースシャーシ/カバー | SGCC | |
|---|---|---|
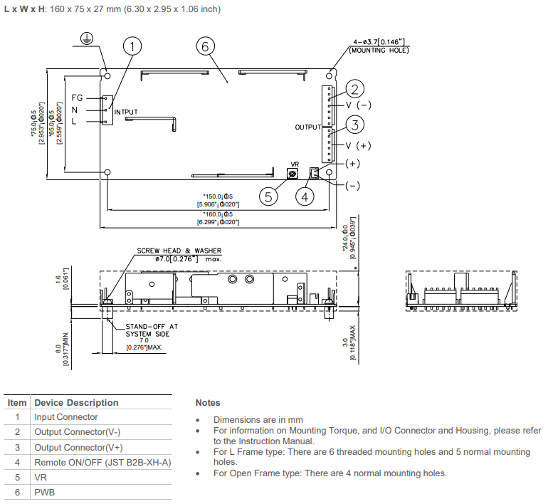
| 寸法 | オープンフレーム | 160 x 75 x 27mm (6.30 x 2.95 x 1.06 inch) |
| ケース付き | 188 x 85 x 47mm (7.40 x 3.35 x 1.85 inch) | |
| 重量 | オープンフレーム | 0.25kg (0.55lb) |
| ケース付き | 0.46kg (1.01lb) | |
| 冷却方式 | Convection | |
| 入力端子 | JST B3P5-VH(LF)(SN) | |
| 出力端子 | V–:JST B7P-VH (LF)(SN), V+:JST B6P-VH (LF)(SN) | |
| リモート ON/OFF | JST B2B-XH-A(LF)(SN) | |
| 電線 | AWG22-18 | |
| SPL | <25dBA | |
| 周囲温度 | 動作温度 | -40°C to +70°C |
|---|---|---|
| 保管温度 | -40°C to +85°C | |
| 使用湿度 | 5 to 90%RH (Non-Condensing) | |
| 動作高度 | 0 to 5,000Meters(16,400ft) | |
| 衝撃試験 (非作動) | IEC60068-2-27, Half Sine Wave 50G, 11ms, 3 shocks X, Y, and Z direction | |
| 振動試験 (動作中) | IEC60068-2-6, Sine Wave:10Hz to 500Hz @2G; 10 min period, 60 min per axis for all X, Y, Z direction | |
| 過電圧カテゴリ | II (Compliance to EN62477-1 OVC III with 2000 meters altitude) | |
| 汚染度 | 2 | |
| 過電圧 | 55.0-68.0V, Latch Mode | |
|---|---|---|
| 過負荷/過電流 | >201% of rated load current, Hiccup Mode, Non-Latching (Auto-Recovery) |
|
| 過温度 | Latch Mode | |
| 短絡 | Hiccup Mode, Non-Latching (Auto-Recovery when the fault is removed) |
|
| 内蔵ヒューズ(L端子) | 4.0A | |
| 衝撃に対する保護 | Class I with Primary Earth connection | |
| MTBF | >700,000hrs. as per Telcordia SR-332 | |
|---|---|---|
| キャパシタ予想寿命 | 10 years (100Vac, 50% load @40°C) | |
| 安全特別低電圧 | SELV (EN60950-1) | |
|---|---|---|
| 電気安全規格 | TUV Bauart | EN62368-1 |
| UL/cUL recognized | UL62368-1 and CSA C22.2 No.62368-1 | |
| CB scheme | UL62368-1 and CSA C22.2 No.62368-1 | |
| CE | In conformance with EMC Directive 2014/30/EU and Low Voltage Directive 2014/35/EU |
|
| UKCA | In conformance with Electromagnetic Compatibility Regulations 2016 and Electrical Equipment(Safety) Regulations 2016 | |
| ガルバニック絶縁 | Input to Output | 3.0KVac |
| Input to Ground | 2.0KVac | |
| Output to Ground | 1.25KVac | |
| エミッション(CE & RE) | CISPR32, EN/BS EN55032, Comply with FCC Title 47: Class B |
|
|---|---|---|
| イミュニティ | EN/BS EN55035 | |
| 静電気放電 | IEC61000-4-2 | Level 4 Criteria A Air Discharge: 15kV Contact Discharge: 8kV |
| 放射無線周波電磁界 | IEC61000-4-3 | Level 3 Criteria A 80MHz - 1GHz, 10V/M with 1kHz tone / 80% modulation |
| 電気的ファストトランジェント/バースト | IEC61000-4-4 | Level 3 Criteria A 2kV |
| サージ | IEC61000-4-5 | Level 3 Criteria A Common Mode: 4kV Differential Mode: 2kV |
| 伝導妨害 | IEC61000-4-6 | Level 3 Criteria A 150kHz - 80MHz, 10Vrms |
| 電源周波数磁界 | IEC61000-4-8 | Criteria A Magnetic field strength 30A/Meter |
| 電圧ディップ・短時間停電 | IEC61000-4-11 | 100% dip; 1 cycle(20ms); Self Recoverable |
| 高調波電流妨害波放出制限 | IEC/EN/BS EN61000-3-2, Class A & Class D | |
| 電圧変動・フリッカ放出制限 | IEC/EN/BS EN61000-3-3 | |
| 電圧降下耐性 SEMI F47 – 0706 |
Criteria A: Normal performance within the specification limits | |
- 改良やその他の事情により、予告なく変更あるいは製造を中止する事が御座います。最新の仕様に関してはお問い合わせ下さい。
- 特性等は参考データという位置づけです。必ず使用する製品に実装された状態で、ご評価・ご確認をお願い致します。
お問い合わせはこちら
法人様以外からのお問い合わせにつきましてはご回答並びにご連絡致しかねます。予めご了承下さい。
【オンライン商談対応について】
Teams、Zoomミーティング等でのオンライン商談ツールに対応しております。来客対応の自粛や初回商談などにご活用いただけますので、お気軽にお申し付けください。

